產品中心 PRODUCTS LIST
            磁力泵系列
                您當前位置:網站首頁 >> 產品中心 >> 磁力泵系列 >> CQB-G高溫磁力驅動泵
             
                     CQB-G高溫磁力驅動泵
                        CQB-G 系列磁力泵適用與石油、化工、制藥、冶煉、電鍍、環保、食品、影視洗印、水處理、國防等行業。 是輸送高溫類易燃、易爆、揮發、有毒、稀有貴重液體和各類腐蝕性液體的理想設備。適用與輸送大系列工作壓力1.6Mpa,溫度不超過280度,密度不大于1840kg/m3,粘度不大于30cm/s的不含硬顆粒和纖維的液體。
                    
                    
                   
                    
                    
                    
                目錄
CQB-G高溫磁力驅動泵概述
CQB-G高溫磁力驅動離心泵(簡稱高溫磁力泵)通常由電機,磁力偶合器水冷卻裝置和耐腐蝕離心泵四大部分組成,其主要特點是利用磁力偶合器傳遞動力,完全無泄漏。當電動機帶動磁力偶合器的外磁鋼旋轉時,磁力線穿過了間隙和隔離套,作用與內磁鋼上,使泵轉子與電動機同步旋轉,無機械接觸地傳遞扭矩。在泵的動力輸入端,由于液體被封閉在靜止的隔離套內,沒有動密封因而無泄漏,磁力偶合器的磁性材料采用了高溫介質而保持強大的磁力扭矩。在電機與磁力偶合器之間加裝了水冷卻裝置,防止泵送高溫介質之熱量傳導至電機。以保持電機的正常運轉,從而達到無泄露輸送高溫介質。泵的過流部件根據需要可分別采用304、304L、302、321、316、316L、UB6、CD4Mcu、鈦合金、鎳基合金等耐腐蝕材料。 CQB-G 系列磁力泵是全國聯合設計開發的新型完全無泄漏耐腐蝕泵,其技術經濟指標接近國外同類產品水平,其型式、基本參數及技術性能符合JB/T7742-95《小型磁力傳動離心泵》的標準要求.
主要用途及適用環境
CQB-G 系列磁力泵適用與石油、化工、制藥、冶煉、電鍍、環保、食品、影視洗印、水處理、國防等行業。 是輸送高溫類易燃、易爆、揮發、有毒、稀有貴重液體和各類腐蝕性液體的理想設備。適用與輸送大系列工作壓力1.6Mpa,溫度不超過280度,密度不大于1840kg/m3,粘度不大于30cm/s的不含硬顆粒和纖維的液體。
CQB-G高溫磁力驅動泵結構圖
	 
 
CQB-G高溫磁力驅動泵性能參數
| 
					型 號
				 | 
					流量 Q m3 /h | 
					揚程 H m | 
					汽蝕余量 NPSH m | 
					轉速 n r/min | 
					軸功率 Pa Kw | 
					效率 η % | 
					配帶電動機功率Kw
				 | |||||||||||||||||
| 
					介質密度g/cm3
				 | ||||||||||||||||||||||||
| 
					≤1
				 | 
					≤1.3
				 | 
					≤1.84
				 | ||||||||||||||||||||||
| 
					CQB-G 32-20-125
				 | 
					1.9 3.2 3.8 | 
					22 20 18.5 |  | 
					2900
				 | 
					0.49 0.58 0.62 | 
					23 30 31 | 
 | 
 | 
 | |||||||||||||||
| 
					CQB-G 32-20-160
				 | 
					1.9 3.2 3.8 | 
					34 32 29 | 
					2900
				 | 
					0.84 0.99 1.03 | 
					21 28 29 | 
 | 
 | 
 | ||||||||||||||||
| 
					CQB-G 40-20-105
				 | 
					3.8 6.3 7.5 | 
					13 12.5 11 |  | 
					2900
				 | 
					0.42 0.55 0.56 | 
					32 29 40 | 
 | 
 | 
 | |||||||||||||||
| 
					CQB-G 40-25-125
				 | 
					3.8 6.3 7.5 | 
					22 20 18.5 |  | 
					2900
				 | 
					0.81 0.98 1.05 | 
					28 35 36 | 
 | 
 | 
 | |||||||||||||||
| 
					CQB-G 40-25-160
				 | 
					3.8 6.3 7.5 | 
					34 32 29 | 
					2900
				 | 
					1.41 1.72 1.79 | 
					25 32 33 | 
 | 
 | 
 | ||||||||||||||||
| 
					CQB-G 40-25-200
				 | 
					3.8 6.3 7.5 | 
					52.5 50 48 | 
					2900
				 | 
					3.02 3.43 3.77 | 
					18 25 26 | 
 | 
 | 
 | ||||||||||||||||
| 
					CQB-G 50-40-85
				 | 
					7.5 12.5 15 | 
					9 8 7.5 | 
					3.5 3.5 4.0 | 
					2900
				 | 
					0.46 0.56 
					0.61
				 | 
					40 49 50 | 
 | 
 | 
 | |||||||||||||||
| 
					CQB-G 50-32-105
				 | 
					7.5 12.5 15 | 
					13 12.5 11 | 
					3.5 3.5 4.0 | 
					2900
				 | 
						0.760 | 
					35 47 48 | 
 | 
 | 
 | |||||||||||||||
| 
					CQB-G 50-32-125
				 | 
					7.5 12.5 15 | 
					22 20 18.5 | 
					3.5 3.5 4.0 | 
					2900
				 | 
					1.49 1.62 1.63 | 
					30 42 43 | 
 | 
 | 
 | |||||||||||||||
| 
					CQB-G 50-32-160
				 | 
					7.5 12.5 15 | 
					34 32 29 | 
					3.5 3.5 4.0 | 
					2900
				 | 
					2.48 2.79 2.96 | 
					28 39 40 | 
 | 
 | 
 | |||||||||||||||
| 
					CQB-G 50-32-200
				 | 
					7.5 12.5 15 | 
					52.5 50 48 | 
					3.5 3.5 4.0 | 
					2900
				 | 
					5.10 5.49 
					6.13
				 | 
					21 31 32 | 
 | 
 | 
 | |||||||||||||||
| 
					CQB-G 50-32-250
				 | 
					7.5 12.5 15 | 
					82 80 78.5 | 
					3.5 3.5 4.0 | 
					2900
				 | 
					9.57 10.89 13.32 | 
					17.5 25 26 | 
 | 
 | 
 | |||||||||||||||
| 
					CQB-G 65-50-125
				 | 
					15 25 30 | 
					22 20 18.5 | 
					3.5 3.5 4.0 | 
					2900
				 | 
					2.25 2.67 2.91 | 
					40 51 52 | 
 | 
 | 
 | |||||||||||||||
| 
					CQB-G 65-50-160
				 | 
					15 25 30 | 
					34 32 29.5 | 
					3.5 3.5 4.0 | 
					2900
				 | 
					4.34 5.07 5.48 | 
					32 43 44 | 
 | 
 | 
 | |||||||||||||||
| 
					CQB-G 65-40-200
				 | 
					15 25 30 | 
					53 50 47 | 
					3.5 3.5 4.0 | 
					2900
				 | 
					8.66 9.20 10.1 | 
					25 37 38 | 
 | 
 | 
 | |||||||||||||||
| 
					CQB-G 65-40-250
				 | 
					15 25 30 | 
					82 80 78.5 | 
					3.5 3.5 4.0 | 
					2900
				 | 
					13.4 14.72 16.88 | 
					25 37 38 | 
 | 
 | 
 | |||||||||||||||
| 
					CQB-G 80-65-125
				 | 
					30 50 60 | 
					22.5 20 18 | 
					4.0 4.0 4.5 | 
					2900
				 | 
					4.48 5.24 5.55 | 
					41 52 53 | 
 | 
 | 
 | |||||||||||||||
| 
					CQB-G 80-65-160
				 | 
					30 50 60 | 
					34 32 29 | 
					4.0 4.0 4.5 | 
					2900
				 | 
					7.72 9.08 9.67 | 
					36 48 49 | 
 | 
 | 
 | |||||||||||||||
| 
					CQB-G 80-50-200
				 | 
					30 50 60 | 
					53 50 47 | 
					4.0 4.0 4.5 | 
					2900
				 | 
					12.03 14.80 16.34 | 
					36 46 47 | 
 | 
 | 
 | |||||||||||||||
| 
					CQB-G 80-50-250
				 | 
					30 50 60 | 
					84 80 75 | 
					4.0 4.0 4.5 | 
					2900
				 | 
					19.06 23.08 26.07 | 
					36 46 47 | 
 | 
 | 
 | |||||||||||||||
| 
					CQB-G 100-80-125
				 | 
					60 100 120 | 
					23 20 16.5 | 
					4.0 4.0 4.5 | 
					2900
				 | 
					8.35 9.73 9.46 | 
					45 56 57 | 
 | 
 | 
 | |||||||||||||||
| 
					CQB-G 100-80-160
				 | 
					60 100 120 | 
					35 32 28 | 
					4.0 4.0 4.5 | 
					2900
				 | 
					12.43 15.85 16.34 | 
					46 55 56 | 
 | 
 | 
 | |||||||||||||||
| 
					CQB-G 100-65-200
				 | 
					60 100 120 | 
					54 50 47 | 
					4.0 4.0 4.5 | 
					2900
				 | 
					21.01 25.69 28.44 | 
					42 53 56 | 
 | 
 | 
 | |||||||||||||||
| 
					CQB-G 100-65-250
				 | 
					60 100 120 | 
					86 80 74.5 | 
					4.0 4.0 4.5 | 
					2900
				 | 
					37.98 45.39 49.69 | 
					37 48 49 | 
 | 
 | 
 | |||||||||||||||
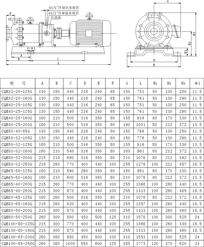
CQB-G高溫磁力驅動泵安裝尺寸
	 
 
	 
 
                      相關文章
                  
                  
               
                                 
                                 
                                










