泵的知識 PUMP KNOWLEDGE
行業新聞
您當前位置:網站首頁 >> 泵的知識 >> 詳情內容
1寸ARO氣動隔膜泵結構圖及性能參數
時間:2021/10/14 來源:浙江揚子江泵業有限公司
1寸ARO氣動隔膜泵
1、可以空運行
2、無電火花
3、可選材質適應大多流體,允許通過固體顆粒;
4、自吸啟動,工作,即開即用,即關即停,不怕堵塞;
5、根據背壓自動調節流量;
6、無動密封,不污染物料;
7、低剪切力,不易破壞物料結構;
8、無需地基,可作移動式泵。
2、無電火花
3、可選材質適應大多流體,允許通過固體顆粒;
4、自吸啟動,工作,即開即用,即關即停,不怕堵塞;
5、根據背壓自動調節流量;
6、無動密封,不污染物料;
7、低剪切力,不易破壞物料結構;
8、無需地基,可作移動式泵。
1寸ARO氣動隔膜泵型號列表
| ARO型號 | 口徑 | 外殼材質 | 膜片材質 |
| 666120-344-C | 1寸 | 鋁合金 | PTFE |
| 666120-3EB-C | 1寸 | 鋁合金 | 山道橡膠 |
| 66612B-244-C | 1寸 | 不銹鋼 | PTFE |
| 666121-2EB-C | 1寸 | 不銹鋼 | 山道橡膠 |
| 66612C-3EB-C | 1寸 | 鑄鐵 | 山道橡膠 |
| 66612C-244-C | 1寸 | 鑄鐵 | PTFE |
1寸ARO氣動隔膜泵技術規格
| 比率 | 1:1 |
| 流量 | 35 gpm(133lpm) |
| 每次循環的排量 | 0.16加侖(0.60升) |
| 進氣口 | 1/4"-18 P.T.F. |
| 流體進口 |
1 - 11-1/2 N.P.T.F. - 1 Rp 1 1 - 11 BSP, |
| 流體出口 |
1 - 11-1/2 N.P.T.F. - 1 Rp 1 1 - 11 BSP |
| 工作壓力 | 120PSI(8.3bar) |
| 可通過大小 | 1/8in(3.2mm) |
| 重量 |
666120-X-C鋁合金:19 lbs 8.6kg 666121-X-C不銹鋼:36 lbs 16.3kg 666122-X-C鑄鐵: 31 lbs 14.1kg |
5
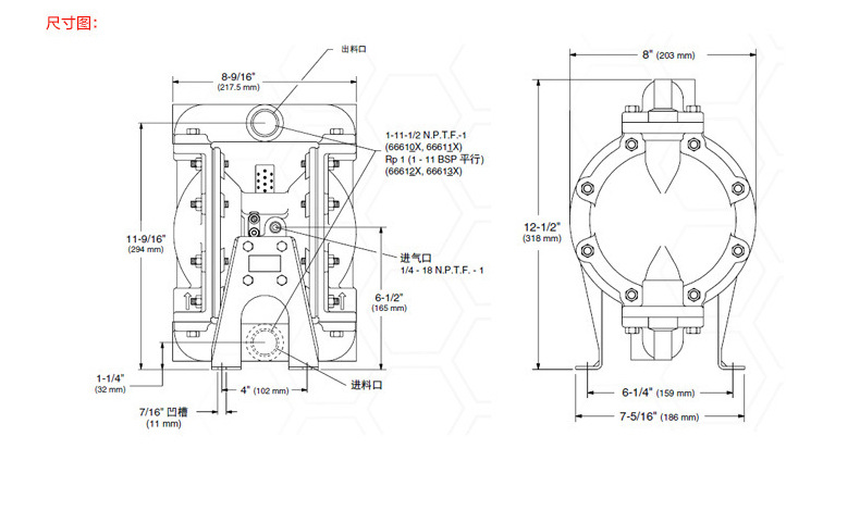
1寸ARO氣動隔膜泵尺寸圖











